黄骅市聚合太阳能科技有限公司
光伏支架安全智能预警系统
安装维护手册

安装之前请仔细阅读所有指导书和手册(第一版)
注意事项:
l 使用人负责提供安全防护措施及所有设备是正确安装。
l 安装预警系统之前,请认真阅读此手册。只有在严格遵循指导规则的条件下,才能保证其工作特性。
l 此手册包含预警系统的正确安装和维护及后台所需信息。
l 预警系统安装需要有专业人员安装指导。
l 如有质量问题、技术问题请与我公司售后联系。
l 预警系统电子版,以及后期新版安装维护手册将在我公司官网上更新,用户可在www.juhesolar.com网站上下载。
售后服务:
研发中心:北京市朝阳区南磨房路37号华腾北塘大厦2306
制造中心:河北省沧州市黄骅镇郑仁村
电话:010-53771850 13911768183
邮箱:hpandsun@126.com
光伏支架安全智能预警系统实图

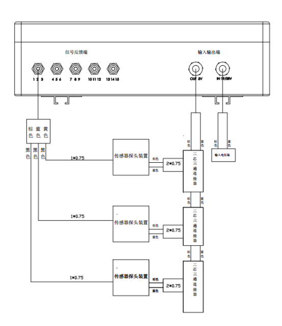
光伏支架安全智能预警系统原理图

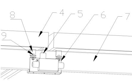
光伏支架安全智能预警系统安装图
光伏预警系统安装步骤如何:
1、将主机从主机箱1拿出后,从配件箱将主机固定支架2和对应的M10的螺丝包3取出,安装在选择好光伏支架立柱上,并且利用双螺母锁紧,如下图所示:

2、再将传感器探头5安装要检测的光伏板下梁上如图所示。安装时保证传感器探头5和光伏板4之间的间隙4的间距为1mm,如不合适时,拧送固定传感器探头的塑料螺母,将其调整到规定间距为宜,其余传感的探头的安装方式相同。连接部分用硅酮胶封闭

3、安装完传感器探头后安装下图所示连接所需的线路部分,如下线路连接原理图

目录
1. 公司简介………………………………………8
2. 产品说明………………………………………9
3. 产品参数………………………………………10
4. 注意事项………………………………………11
5. 后台系统说明…………………………………12
6. 现场安装示例…………………………………13
1、黄骅市聚合太阳能科技有限公司简介
黄骅市聚合太阳能科技有限公司是集技术研发设计与生产制造为一体的新型光伏发电设备生产企业,生产基地位于京津冀商业圈东部的黄骅市,交通便利并拥有强大的资源优势。生产基地配备有先进的生产设备,具备强大的生产加工能力;现有先进全自动 U 型钢、C 型钢生产线12 条,螺旋桩生产线 8 条及其它各种辅助设备 52 台。可根据客户具体需求,提供个性化服务。
人才是企业发展的保障,公司拥有高效的管理团队,设有生产部、技术部(新能源研究所)、质量管理部、供应部、设备安全部、储运部、财务部、商务部等部门,现有员工121人,其中教授级高级工程师2人,高级工程师3人,工程师6人,助理工程师12人,无损检测NDT2人,持证电焊工56人。
我公司拥有独立研发设计能力,技术人员可根据项目技术要求、地理位置、地质条件及气候特点,对具体工程的光伏支架进行力学分析验算,绘制详尽的 CAD 施工图纸和力学计算书。为适应市场需要,公司技术部专门购置了多套基础拉拔实验设备及并培养了一支专业实验队伍,能够及时检测螺旋桩、钢管灌注桩等桩型基础在现场土质中的实际抗拔力,为基础选型提供最直接的第一手资料。黄骅市聚合太阳能科技有限公司致力于太阳能资源的开发,愿与国内外各界朋友共同努力,为清洁能源产业的发展做出贡献。
2、 产品说明
我公司是专业生产制造太阳能光伏支架的企业,承接过许多大型光伏电站的供货任务,总量超2GW.拥有电算能力和现场经验丰富的一批专业工程技术人员。因光伏支架易发生的安全隐患,会给运维工作造成较大的困难和经济损失。我们有了一套完美的解决方案。
我公司集各方专家,自主研发出光伏支架安全预警系统,可以实时监控光伏支架的安全运行情况。整个系统完全电子化,通过多种全自动传感器,数据信息收集器,无线数据接收器和电脑终端的应用程序,完美的解决了光伏支架安全运行以及维护工作繁琐的难题,提高电站管理水平和能力,利用技术创新,节约大量的人力成本,提高电厂运维的效益。是现代化光伏电站必有的装备。
安装要求说明:一般情况我们选择光伏场区内,风口和风力相对较大易发生安全隐患的地方,沿着风的主导方向,在附近的支架单元中,选择安装监测点,并利用电池组件的电源供电,从而达到持续监控的目的。
该监测系统,可以实时监测到光伏支架各连接部位的螺栓连接情况,一旦发现连接松动,系统将会自动发出预警提示在电脑端显示。运维人员即前往巡视检修,避免造成经济损失。
3、产品参数
产品参数:主机外形尺寸:380x260x122mm(不含接头)
主机重量:
输入电压:18~72V
最大功率:80W
防护等级:IP67
工作环境温度:-25℃到40℃
储存温度:-25℃-40℃
产品规格:主机一台、监测探头15套、说明书一份、无线网卡一个
产品用途:实时监测到光伏支架各连接部位的螺栓连接情况,一旦发现连接松动,系统将会自动发出预警提示在电脑端显示。运维人员即前往检修,避免造成经济损失。
安装说明:一般情况我们选择场区内,风口和风力相对较大易发生安全隐患的地方,沿着风的主导方向,在附近的支架单元中,选择安装监测点,并利用电池组件的电源供电,从而达到持续的监控目的。
1、 监测探头与主机为有线连接,请自备连接线。
2、 信号传输方式为无线传输,请不要用金属制品包裹主机。
3、 主机使用手机卡收发信号,请自备手机卡,支持联通、电信、移动。
4、 请登陆www.juhesolar.com网址依据产品单号申请服务账号,查看数据信息。
4、光伏支架安全智能预警系统注意事项
注意事项:
1、产品置于无太阳光直射的位置减少太阳光紫外线的照射,可提高产品是使用寿命。
2、主机安装于高度地面30cm以上,确保在雨季不会使主机长时间浸泡在水中,避免造成内部电子部件损坏。
3、接近开关安装过程中确保接近开关与太阳能板测试面间距为1mm,安装时采用标准为1mm的工装块作为标准。
4、严谨使用非输入电压范围内的电接入输入端,以免造成损害。
5、主机和接近开关之间的连接需要根据现场位置的远近,由施工人员安装接线示意图进行连接。主机与接近开关装置序号一一对应,便于后台数据统计。
5、后台系统说明
1、增加用户管理功能。不同的用户只能看到不同光伏电站的支架距离是否正常。用户密码在数据库里加密存储。
2、后台数据更新的时间间隔可以调整。
3、测试点的名字,可以在web上修改。
4、能按时间段统计正常和不正常的次数和百分比(排序)。
5、能统计主机正常运行的时间
6、后台移植到用户的网站上运行。后台程序设计应考虑一定的并发需求:1000个主机(15000个测试点)接入,浏览器显示数据不高于1秒。
7、支持PC端的浏览器和手机端的浏览器。
6、现场安装示例
2018年3月我公司的光伏支架安全智能预警系统在辽宁阜新项目上实际安装应用了,此项目为35MWP山地光伏发电项目。该地区地形陡峭,风力强劲,施工困难,因此极易造成支架各连接部位螺旋松动。本预警系统的投入大大的提高了电站的安全运行质量,有效减少了电站运维人员,节约了运维成本,为整个电站的安全、稳定、高效运行提供了更加强有力的保障,成为光伏电站的必有装备!


